烟台黄渤海实验室《Surf. &Coat. Technol.》|脉冲偏压条件对CrN涂层微观结构及性能影响的多尺度模拟与实验研究
过渡金属氮化物,尤其是氮化铬CrN,因其高硬度、耐磨性和耐腐蚀性等优异力学性能,成为苛刻工业应用(如切削工具、机械部件和摩擦系统)的理想候选材料。等离子体辅助沉积方法,特别是磁控溅射能够精确控制涂层结构,但获得高质量CrN涂层仍需仔细调控工艺参数。其中,衬底偏压对调制等离子体行为、影响涂层生长机制和最终性能起着关键作用。脉冲衬底偏压因其能够定制等离子体行为和优化涂层生长而受到越来越多的关注。然而,脉冲等离子体的非平衡特性引入了尚未完全阐明的复杂性,限制了建立等离子体行为与涂层生长机制之间直接联系的能力。
来自烟台先进材料与绿色制造山东省实验室(黄渤海实验室)和哈尔滨工程大学烟台研究院等的研究人员通过结合多尺度模拟与实验表征,研究了衬底偏压脉冲占空比对磁控溅射沉积CrN涂层的微观结构和摩擦学性能的影响。研究重点在于揭示脉冲条件下等离子体放电行为、能量传递过程与涂层微观结构演变之间的基本机制,为在非平衡等离子体条件下设计具有优化性能的先进涂层提供指导。相关成果于2026年1月13日以“Influence of transient plasma behavior on the microstructure and properties of CrN coatings under pulsed bias conditions: Insights from multi-scale simulation and experiment”为题发表在《Surface & Coatings Technology》。
样品制备:CrN涂层使用高纯度铬靶,在M2高速钢圆盘和(100)取向硅片上沉积。沉积CrN前,先沉积400 nmCr中间层以改善界面结合。工作压力和衬底温度分别为0.2 Pa和300°C。N₂和Ar气体流速分别设置为66 sccm和33 sccm。对于所有脉冲偏压条件,偏压频率固定为50 kHz(对应脉冲周期20 μs)。占空比分别为25%、50%、75%和100%。
多尺度模拟方法:Particle-in-Cell Monte Carlo Collision, PIC-MCC 模拟等离子体放电;Monte Carlo, MC 模拟溅射与传输;Molecular Dynamics, MD 模拟原子沉积。
图1. 衬底偏压占空比为100%、75%、50%和25%时CrN涂层的GIXRD图谱。
图2. 不同占空比沉积的CrN涂层的FESEM图像:表面形貌(a1-d1)和截面结构(a2-d2):(a)100%,(b)75%,(c)50%,(d)25%。
图3. 不同脉冲占空比沉积的CrN涂层的3D AFM图像及相应的RMS粗糙度(Sq)值:(a)100%,(b)75%,(c)50%,(d)25%。
图4. 不同占空比沉积的CrN涂层的硬度、弹性模量、H³/E*²比率和残余应力。
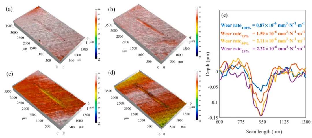
图5. 不同占空比沉积的CrN涂层摩擦学测试后的3D磨损轨迹形貌:(a)100%,(b)75%,(c)50%,(d)25%,以及(e)相应的残余深度轮廓。
图6. 不同占空比下,脉冲开启阶段前瞬间衬底附近0.05 × 0.05 m²区域内Ar离子密度的空间分布:(a)100%,(b)75%,(c)50%,(d)25%。
图7. 不同衬底偏压占空比下,单个脉冲周期内入射到靶材上的Ar离子能量分布函数(IEDF):(a)100%,(b)75%,(c)50%,(d)25%。

图8. 不同衬底偏压占空比下,脉冲开启阶段Ar离子在衬底处的IEDF随时间演变:(a)100%,(b)75%,(c)50%,(d)25%。
图9. 不同衬底偏压占空比下,单个脉冲周期内入射到衬底上的Ar离子的能量和密度分布。
图10. 不同衬底偏压占空比下模拟的衬底电流密度贡献来自(a)离子,(b)电子, 以及(c)离子和电子的组合。
图11. 不同占空比下,一秒时间窗口内从靶材溅射出来和到达衬底的Cr原子的密度和能量分布:(a)100%,(b)75%,(c)50%,(d)25%。
图12. MD模拟的原子快照显示CrN沉积(a)无Ar⁺轰击和(b, c)有150 eV Ar⁺轰击。包含选定的放大区域以显示局部原子构型。
图13. 从MD模拟粒子坐标获得的CrN涂层表面形貌,以及不同衬底偏压占空比下相应的表面粗糙度和局部岛状生长结构:(a)100%,(b)75%,(c)50%,(d)25%。
研究通过实验与多尺度模拟相结合,揭示了脉冲偏压占空比对磁控溅射CrN涂层的决定性影响。研究发现在50 kHz固定频率下,高占空比(75%-100%)虽测得较低的总偏置电流,却能提供更高的有效离子轰击能量,通过增强沉积原子表面迁移率促进致密平滑的层状生长,最终获得高硬度(19.83 GPa)、强(200)织构和优异耐磨性的涂层;而低占空比(25%)因脉冲关闭阶段电子电流补偿效应导致总电流虚高,实际离子能量不足,引发粗糙疏松的岛状生长,使涂层性能显著恶化。这项工作澄清了脉冲等离子体中电流测量值与能量传递的本质区别,为精准调控涂层生长提供了理论依据。
论文链接:
https://doi.org/10.1016/j.surfcoat.2026.133195